destek@eferencelik.com
Şehitkamil / GAZİANTEP

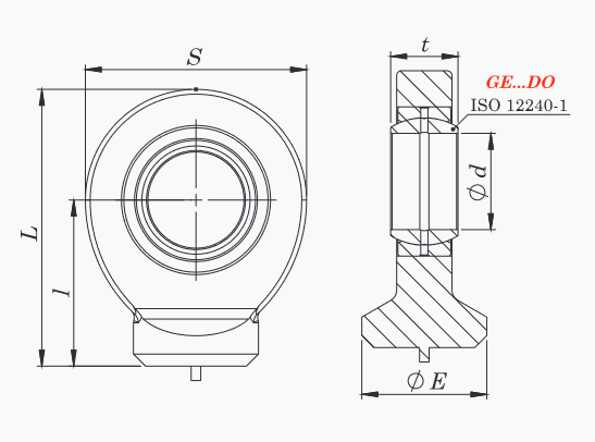
YUVARLAK TİP ROT MAFSALLARI

Tanım:
Eferen Hidrolik tarafından tedarik edilen yuvarlak tip rot mafsalları, iki hareketli parça arasında dönme ve salınım hareketini sorunsuz iletmek için tasarlanmış bağlantı elemanlarıdır. Gövdesi genellikle çelik veya paslanmaz çelik malzemeden üretilir, iç kısmında küresel yatak bulunur ve yüksek darbe dayanımı sağlar.

Kategoriler: Etiketler: Marka:

Açıklama

Tanım:
Eferen Hidrolik tarafından tedarik edilen yuvarlak tip rot mafsalları, iki hareketli parça arasında dönme ve salınım hareketini sorunsuz iletmek için tasarlanmış bağlantı elemanlarıdır. Gövdesi genellikle çelik veya paslanmaz çelik malzemeden üretilir, iç kısmında küresel yatak bulunur ve yüksek darbe dayanımı sağlar.

Kullanım Alanı:
Eferen Hidrolik yuvarlak tip rot mafsalları, hidrolik silindir bağlantılarında, makine imalatında, tarım ve inşaat ekipmanlarında ile otomasyon sistemlerinde esnek ve güvenli bağlantı sağlamak amacıyla kullanılır.

Değerlendirmeler

Henüz değerlendirme yapılmadı.

“YUVARLAK TİP ROT MAFSALLARI” için yorum yapan ilk kişi siz olun

E-posta adresiniz yayınlanmayacak. Gerekli alanlar * ile işaretlenmişlerdir

Select the fields to be shown. Others will be hidden. Drag and drop to rearrange the order.
  • Image
  • SKU
  • Rating
  • Price
  • Stock
  • Availability
  • Add to cart
  • Description
  • Content
  • Weight
  • Dimensions
  • Additional information
Click outside to hide the comparison bar
Compare